
INCH-POUND
MIL-DTL-22442/5B(AS)
5 January 1998
SUPERSEDING
MIL-C-22442/5A(AS)
24 May 1991
DETAIL SPECIFICATION SHEET
CABLE ASSEMBLY, AIRCRAFT AUDIO, CONNECTOR
This specification sheet is approved for use by the Naval Air Systems Command, Department of
the Navy, and is available for use by all Departments and Agencies of the Department of Defense.
The requirements for acquiring the product described herein shall consist of this specification
sheet and the issue of MIL-DTL-22442 listed in the issue of the Department of Defense Index of
Specifications and Standards (DoDISS) specified in the solicitation.
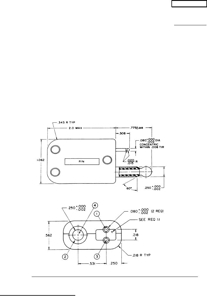
FIGURE l. Connector P/N M22442/5-l (U-75/U), P/N M22442/5-2, and P/N M22442/5-4.
AMSC N/A
`
1 OF 4
FSC 5995
DISTRIBUTION STATEMENT A: Approved for public release; distribution is unlimited
For Parts Inquires submit RFQ to Parts Hangar, Inc.
© Copyright 2015 Integrated Publishing, Inc.
A Service Disabled Veteran Owned Small Business