
MIL-DTL-22442/41B(AS)
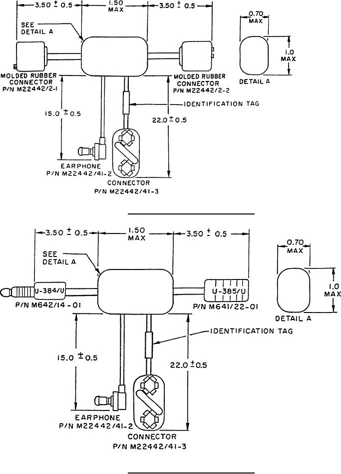
FIGURE 2. Cable assembly P/N M22442/41-4.
FIGURE 3. Cable assembly P/N M22442/41-5.
2
For Parts Inquires submit RFQ to Parts Hangar, Inc.
© Copyright 2015 Integrated Publishing, Inc.
A Service Disabled Veteran Owned Small Business