
MIL-DTL-22442/41B(AS)
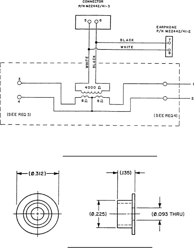
FIGURE 7. Cable assembly schematic P/N M22442/41.
FIGURE 8. Test plugs for M22442/41-3 connector.
5
For Parts Inquires submit RFQ to Parts Hangar, Inc.
© Copyright 2015 Integrated Publishing, Inc.
A Service Disabled Veteran Owned Small Business