
MIL-DTL-22442/25B(AS)
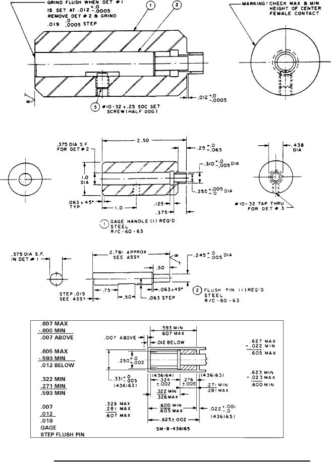
FIGURE 10. M22442/25-8 Gage to check max & min height of cent female contact.
12
For Parts Inquires submit RFQ to Parts Hangar, Inc.
© Copyright 2015 Integrated Publishing, Inc.
A Service Disabled Veteran Owned Small Business