
MIL-DTL-22442/25B(AS)
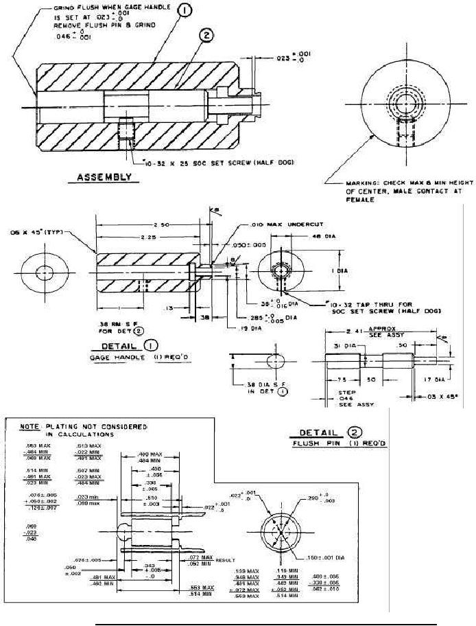
FIGURE 3. M22442/25-1 Gage, check max & min height of center, male contact. *
5
For Parts Inquires submit RFQ to Parts Hangar, Inc.
© Copyright 2015 Integrated Publishing, Inc.
A Service Disabled Veteran Owned Small Business