
MIL-DTL-22442/32C
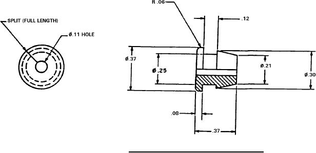
FIGURE 3. Grommet ear cup PIN M22442/32-3.
REQUIREMENTS:
l. The grommet shall be of rubber 30+20-0 durometer hardness, color black.
NOTES:
l. All dimensions are in inches.
2. Tolerances are ±.02.
3. The item described in this specification sheet is the same as Naval Air Systems
Command (NASC) Drawing 765AS234.
5
For Parts Inquires submit RFQ to Parts Hangar, Inc.
© Copyright 2015 Integrated Publishing, Inc.
A Service Disabled Veteran Owned Small Business