
MIL-DTL-22442/32C
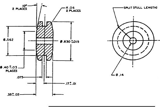
FIGURE 4. Grommet communications cord PIN M22442/32-4.
REQUIREMENTS:
l. The grommet shall be of rubber 30+20-0 durometer hardness, color black.
NOTES:
l. All dimensions are in inches.
2. Tolerances are ±.0l for two place decimals, ±.005 for three place decimals and ±2
degrees for angles.
3. The item described in this specification sheet is the same as NASC Drawing
765AS203.
6
For Parts Inquires submit RFQ to Parts Hangar, Inc.
© Copyright 2015 Integrated Publishing, Inc.
A Service Disabled Veteran Owned Small Business