
MIL-DTL-22442/32C
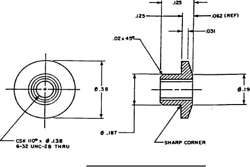
FIGURE 5. Nut, tee, visor PIN M22442/32-5.
REQUIREMENTS:
l. The nut shall be carbon steel in accordance with ASTM-A108, Grade 1117 or
equivalent (as approved by the qualifying activity).
2. The nut shall be plated in accordance with SAE-AMS-QQ-P-4l6 Type II Class l.
NOTES:
l. All dimensions are in inches.
2. Tolerances are ±.005 for 3 place decimals ±.02 for 2 place decimals ±2 degrees for
angles.
3. The item described in this specification sheet supersedes Naval Air Systems
Command Drawing 765AS202.
7
For Parts Inquires submit RFQ to Parts Hangar, Inc.
© Copyright 2015 Integrated Publishing, Inc.
A Service Disabled Veteran Owned Small Business