
MIL-DTL-22442/32C
Screw, Cable Clip
PIN NASMS22442/32-6
REQUIREMENTS:
l. Screw cable clip shall be made in accordance with NASM35206-228
Clip Cable (Nylon)
PIN M22442/32-7
REQUIREMENTS:
l. Clip cable shall be made in accordance with NASl397P3CN.
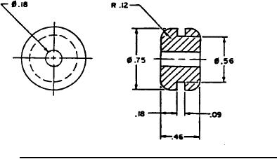
FIGURE 6. Grommet communications cord PIN M22442/32-8.
REQUIREMENTS:
l. The grommet shall be of rubber 30+20-0 durometer hardness, color black.
NOTES:
l. All dimensions are in inches.
2. Tolerances are ±.01 for two place decimals.
3. The item described in this specification sheet is the same as U.S. Air Force Drawing
61B2l7l7.
8
For Parts Inquires submit RFQ to Parts Hangar, Inc.
© Copyright 2015 Integrated Publishing, Inc.
A Service Disabled Veteran Owned Small Business